Flow switch, G1, max +140 C, 230 V/ 0.5 A/ 10 W (NO/NC)
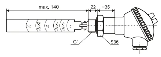
The PSF50 flow detector is designed to work with non-sticky and lightly contaminated liquids. This model uses the principle of switching a reed contact by a magnet driven by a vane at its angular deviation from the vertical due to the movement of a fluid flow. This principle does not require any other energy and the signaller does not need a power supply. The model is designed for installation of pipes from 1″ to 3″. Depending on the diameter of the pipe and the length of the vane, which is adjustable in 1″ to 3″ increments, the point of actuation and release of the annunciator is set. The simple and reliable design, as well as the independence of the fluid direction, make the PSF50 widely applicable in standard flow signaling applications.
Internal Reference:
PSF50GQ12C2
Your Dynamic Snippet will be displayed here...
This message is displayed because youy did not provide both a filter and a template to use.



