Skip to Content
Enkoders REI-E-113T8S-2B2500-H1181

Cena:

212,20 €

info@willsensors.lv| +371 29 449 814|  ​Dzelzava​s iel​a 127, Rīga, LV-1021​is |🔖Marts= Līmeņa Mērīšanas Mēnesis | -20% UWT līmeņa sensoriem| Kods: LĪMENIS 
Konektors ar kabeli RKC8T-30/TXL
Konektors ar kabeli RKC8T-30/TXL
91,40 €
91,40 €
Induktīvais sensors BI20U-CK40-VP4X2-H1141
Induktīvais sensors BI20U-CK40-VP4X2-H1141
114,00 €
114,00 €

Enkoders REI-E-113T8S-2B2500-H1181

https://www.willsensors.com/web/image/product.template/7231/image_1920?unique=91a1009

212,20 € 212.2 EUR 212,20 € Bez PVN

Not Available For Sale


  • Ražotājs
  • Enkodera tips
  • Izšķirtspēja (PPR)
  • Ass tips
  • Ass diametrs
  • Elektriskais pievienojums
  • Barošana
  • Barošana
  • Vadu skaits
  • Pārvietojuma sensora izeja

Šāda kombinācija nepastāv.

Iekšējā atsauce
100011551
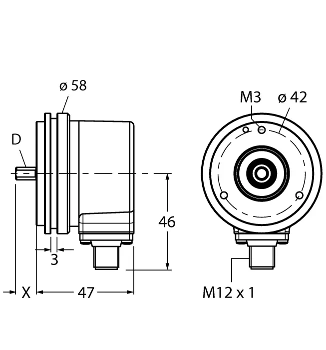
Ražotājs Turck
Enkodera tips Inkrementālais
Izšķirtspēja (PPR) 2500 PPR
Ass tips Ass
Ass diametrs Ø 8 mm
Elektriskais pievienojums M12
Barošana 12 VDC, 24 VDC
Vadu skaits 8-vadu
Pārvietojuma sensora izeja TTL/HTL
REI-E-113T8S-2B2500-H1181.pdf
Lejupielādēt